La locomotive radio-commandée
L'idée de départ est simple: s'affranchir du transformateur pour pouvoir faire circuler indépendemment différentes locomotives sur un même circuit; la caméra, c'est pour le fun.Le principeest d'intégrer un récepteur radio de modélisme, avec variateur de vitesse pour le moteur, et d'utiliser les rails conducteurs pour transmettre le signal vidéo.
Alors comment?
Une fois que l'on a le matériel, soit : un accus env. 12V, un ensembre de radio commande avec récepteur (tout petit c'est mieux!), un variateur de vitesse voiture (tout petit aussi si possible) une caméra miniature (exemple Conrad) et des connecteurs divers.
- Commencer par ouvrir délicatement le moteur en coupant les petits ergots (destructif!)
- Désolidariser avec douceur le moteur de ses contacts d'avec les roues. Une petite pliure du métal suffit.
- Percer le boîtier moteur pour permettre aux fils d'alimentation et du signal vidéo de passer.
- Souder au moteur les fils d'alimentation et son connecteur, et souder aux frotteurs les fils pour le signal vidéo et son connecteur à l'autre extrémité.
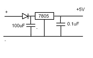
- Préparer un petit circuit électronique (sur vero-board c'est suffisant) selon le schéma suivant.
Ce circuit garanti 5V stabilisée à sa sortie. Il va servir à alimenter et la caméra et le récepteur.- Terminer la connectique et tout brancher... ça devrait marcher!
... en pratique, ça marche très bien pour la commande de la locomotive, mais le signal vidéo est très perturbé!!!
Le wagon caméra qui l'a remplacée fonctionne beaucoup mieux...
Roland





